聯系人:李經理
手 機:13407546885
電 話:400-002-0516
地 址:徐州高新技術產業開發區第三工業園經緯路21號
膨脹閥的調節很重要,為了使系統處正常的工作狀態,膨脹閥應盡量保持出廠狀態,不要隨便調動,這是一項操作和調整的前提和原則。

正常情況下,膨脹閥閥體的結霜呈45°角(見圖),傘形閥蓋是不能結霜的。
膨脹閥的壓力調節桿在出廠時一般都基本調整在中間位置上,即順反轉動的圈數基本一樣,正是為了調節時順反都有足夠的余地。
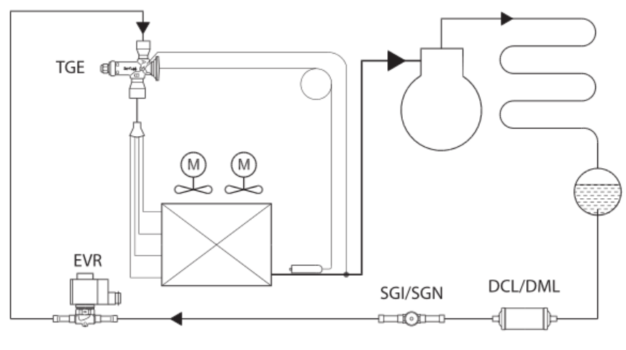
對于熱力膨脹閥的安裝,閥體應直立式安裝在供液管的水平管段上,感溫包也應捆綁在水平回氣管段上,與回氣管的角度呈4點或8點鐘的位置(見下圖)。膨脹閥必須與感溫包同在一個溫區里,要么同在庫內,要么同在庫外。

膨脹閥過熱度的定義:指蒸發器和感溫包內蒸汽之間的溫度差,實際也可以理解為蒸發器的進口溫度與感溫包處的溫度差。測量時用蒸發溫度減去感溫包處的實際溫度,通常的過熱度為5~8度之間。過熱度對于熱力膨脹閥的正常工作起著舉足輕重的作用。吸氣如果完全無過熱度,就會產生回氣帶液,引起濕沖程液擊損壞制冷壓縮機;如果過熱度過大,壓縮機的吸排氣溫度高,運轉溫度高,碳化潤滑油,同樣也會損壞壓縮機。

膨脹閥的壓力調節桿在出廠時一般都基本調整在中間位置上,即順反轉動的圈數基本一樣,正是為了調節時順反都有足夠的余地。膨脹閥的調節很重要,為了使系統處正常的工作狀態,膨脹閥應盡量保持出廠狀態,不要隨便調動,這是一項操作和調整的前提和原則。在保證此前提下,才能對系統的運行工況作出正確的分析和判斷。
在系統正常的運行中,當制冷溫度在0度以上時,系統的任何部位都不得有結霜現象出現;
只有當制冷溫度在0度以下時,最開始結霜的是膨脹閥的出液管,然后延伸至蒸發器,最后才是回氣管,直到壓縮機的吸氣閥為止。
管理員
該內容暫無評論