聯系人:李經理
手 機:13407546885
電 話:400-002-0516
地 址:徐州高新技術產業開發區第三工業園經緯路21號






產品概述:
·該手閥是一種手動膜片式截止閥,適用于單向流動。
·適用于冷凍/冷藏和空氣調節裝置的液體/吸氣和熱氣管路上。
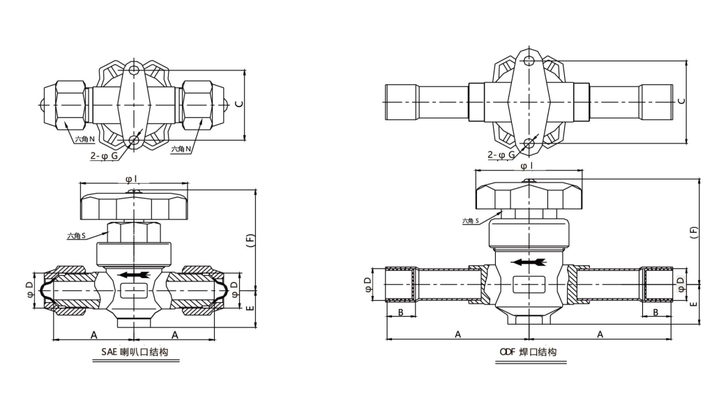
·按接口方式分為兩種:一種是螺口連接(SAE),可提供螺口規格1/4SAE至3/4SAE,另一種是焊口連接ODF,可提供接口尺寸1/4”至7/8”。所有KM型手閥都有安裝固定孔,可用于儀表板上的安裝。
特點:
·帶有2片不銹鋼膜片,在閥的整個使用壽命期間內防止泄漏。
·閥口采用彈性密封,用很小的力矩就可將閥關閉·特殊閥蓋設計,防止水、粉塵等進入閥內部。
·閥桿只需旋轉一圈半就可全開或全閉,操作便捷。
技術參數:
·適用制冷劑:HCFC、HFC
·適用介質溫度:-25~+100℃
·Z大工作壓力:3.0MPa
·使用壓力范圍:-0.1MPa~2.1MPa
·Z大耐壓試驗壓力:4.5MPa


管理員
該內容暫無評論